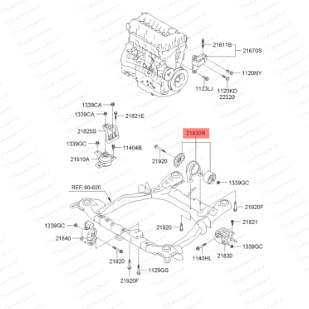
Soporte Motor SANTA FE (2WD) 2010-2012, Posterior 21930-2P000
$ 54.000
Repuestos OEM y aftermarket. Importadores Directos. Satisfaccion Garantizada
Nro Pieza: 21930-2P000
Equivalente: 21930-2P200
Aplica a:
Versión:
Cilindrada (cc): 2.0, 2.2, 2.4
Motor: D4HB, G4KE
Transmisión: AT, MT
Tracción: 2WD
Combustible: BENCINA, PETROLEO
